文章詳情頁
solidWorks建模練習拉伸切除一張桌子
瀏覽:221日期:2023-12-02 13:55:29
下面給大家介紹是的solidWorks建模練習拉伸切除一張桌子,具體操作步驟如下:
效果圖:

建模步驟:
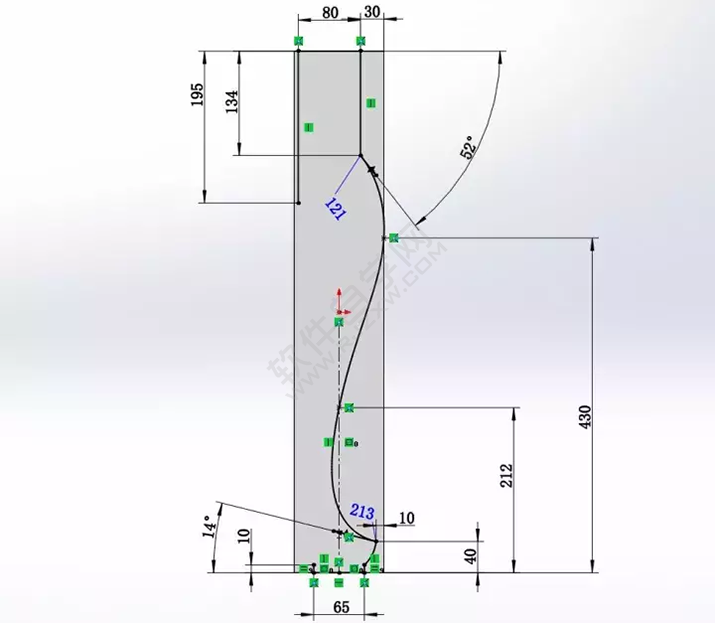
1.前視基準面,草繪。

2.拉伸凸臺。深度115 。

3.前視基準面,草繪。底部是一段圓弧。去掉430上端的重合約束,把控點向左挪一點。不然切除時會出錯。

4.草繪左半邊樣條曲線,把右邊上邊的控點挪一下,距離邊線1 。

5.拉伸切除,反側(cè)切除。

6.右視基準面,把上面第三步的草圖復制過來,按Ctrl鍵移動到實體上。底部中點和中點重合。

7.補全標注,最好完全定義。

8.拉伸切除,反側(cè)切除。

9.圓角,3條邊線,半徑10 。

10.新建基準面,距離右視基準面400。

11.新建基準面,距離前視基準面290 。

12.鏡像。

13.鏡像。

14.點桌腿的頂面,進入草繪,草繪4個矩形。

15.拉伸凸臺,深度100 。

16.還是點桌腿的頂面,進入草繪,草繪矩形。拉伸凸臺,深度30。

17.點上一步拉伸實體的正面,進入草繪。(輪廓)

18.點桌子頂面,進入草繪,轉(zhuǎn)換實體引用。(路徑)

19.掃面切除。

20.渲染,完成。

排行榜

網(wǎng)公網(wǎng)安備