文章詳情頁
門把手用SolidWorks畫的方法
瀏覽:218日期:2023-11-15 18:46:04
下面給大家介紹的是門把手用SolidWorks畫的方法,具體操作步驟如下:




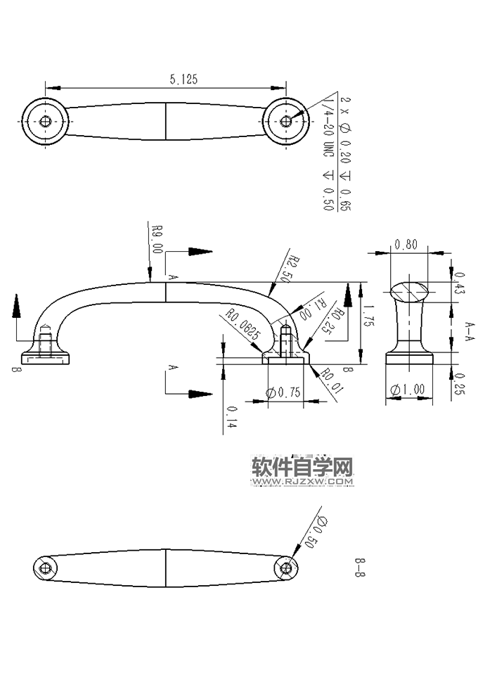
尺寸圖:

1.這張圖紙的單位是:【英寸】,孔用的也是英制螺紋,所以畫圖之前要修改單位:點擊右下角的單位,改為英寸;點擊【編輯文檔單位】修改小數點后位數。

2.在【前視基準面】畫草圖。

2-1.標注尺寸:0.75 、1、5.125 ,智能尺寸——直線——中心線——鼠標移動到中心線左側。

3.【旋轉】。

4.在【前視基準面】畫三個圓弧。

以上就是門把手用SolidWorks畫的方法,希望大家喜歡,請繼續關注好吧啦網。
相關文章:
排行榜

網公網安備