文章詳情頁
軸的cad練習圖紙
瀏覽:140日期:2023-12-13 16:34:27
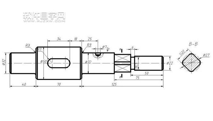
下面給大家分享的是軸的cad練習圖紙,喜歡的朋友可以一起來關注好吧啦網學習軸的cad圖紙。
另存軸的cad圖紙,就可以用CAD練習了。

上一條:以圓為主的CAD練習圖下一條:CAD2014怎么畫棱錐體
排行榜

網公網安備