文章詳情頁
Solidworks繪制回轉實心體
瀏覽:251日期:2023-12-04 08:02:53
下面給大家介紹的是Solidworks繪制回轉實心體的方法與步驟,喜歡的朋友可以一起來關注好吧啦網學習更多的Solidworks教程。 



以上就是Solidworks繪制回轉實心體,希望大家喜歡,請繼續關注好吧啦網。
1、打開solidworks2016軟件,點擊新建--零件--確定。效果如下:

2、點擊上視基準面--點擊旋轉凸臺/基體。效果如下:

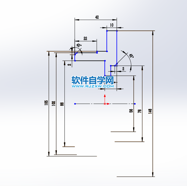
3、然后繪制一條構造線出來,再繪制下面的形狀出來,再進行尺寸標注。效果如下:

4、然后退出草圖,進入旋轉設置,旋轉軸選構造線,方向1設置90度,方向設置180度。

5、 這樣就完成了回轉實體的制作。
以上就是Solidworks繪制回轉實心體,希望大家喜歡,請繼續關注好吧啦網。上一條:solidworks繪制噴霧器透明蓋下一條:ai怎么設計網球運動標識
排行榜

網公網安備